Интернет-магазин не работает 31 декабря, 1, 2 и 7 января. В остальные дни работаем в обычном режиме.

Вентилятор канальный Bahcivan BMFX-SL 150 в шумопоглощающем корпусе

Вентилятор канальный Bahcivan BMFX-SL 150 в шумопоглощающем корпусе
Вентилятор канальный Bahcivan BMFX-SL 150 в шумопоглощающем корпусе
Вентилятор канальный Bahcivan BMFX-SL 150 в шумопоглощающем корпусе
Вентилятор канальный Bahcivan BMFX-SL 150 в шумопоглощающем корпусе
Вентилятор канальный Bahcivan BMFX-SL 150 в шумопоглощающем корпусе
Вентилятор канальный Bahcivan BMFX-SL 150 в шумопоглощающем корпусе
Вентилятор канальный Bahcivan BMFX-SL 150 в шумопоглощающем корпусе
Вентилятор канальный Bahcivan BMFX-SL 150 в шумопоглощающем корпусе
Вентилятор канальный Bahcivan BMFX-SL 150 в шумопоглощающем корпусе
Вентилятор канальный Bahcivan BMFX-SL 150 в шумопоглощающем корпусе
Артикул: BMFX-SL 150
Доставка в Чистополь
Бренд: Bahcivan

Описание:

  • Серия вентиляторов Bahcivan BMFX относится к осевым вентиляторам.
  • Данная серия специально разработана и применяется там, где необходим низкий уровень шума при большой протяженности вентиляционных каналов в местах их монтажа. В комплекте с вентилятором поставляется крепежный набор.
  • Вентилятор изготовлен из пластика (модели BFMX 100 – BFMX 200), а у моделей BFMX 250 и BFMX 315 стальной корпус покрытый электростатической порошковой краской.
  • Защита IP 44.
  • Вентилятор можно устанавливать вертикально и горизонтально. Благодаря дизайну и эргономике монтируется в вентиляционные каналы.
  • Скорость вентилятора регулируется при помощи специального регулятора.

Характеристики:

Тип вентилятора - Канальный осевой
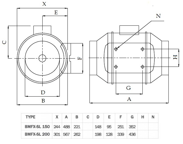
Диаметр - 150 мм
Производительность - 410/530 м3/ч
Мощность - 43/50 Вт
Уровень шума - 26/31 Дб
Особенность - Две скорости, Шумопоглощающий корпус
Цвет - Черный
Обратный клапан - Нет
Производитель - Bahcivan
Страна производства - Турция

Производитель:Bahcivan
Цвет:белый красный черный

Авторизуйтесь, чтобы оставить отзыв:

Похожие товары в категории Вентиляторы промышленные

Для улучшения работы мы можем собирать данные, используя cookies и сервис Яндекс.Метрика. Это соответствует политике в отношении персональных данных. Продолжая работу на сайте вы даёте согласие на обработку персональных данных. Файлы cookie можно отключить в настройках Вашего браузера.

//}
Заказ в WhatsApp