Интернет-магазин не работает 31 декабря, 1, 2 и 7 января. В остальные дни работаем в обычном режиме.
Soler & Palau

Центробежный вентилятор Soler Palau CMT/4-500/205-11 в интернет-магазине «ВЕНТФОМ». Заказать с бесплатной доставкой по Москве! Тел.: +7 (925) 201-33-89.

Центробежный вентилятор Soler Palau CMT/4-500/205-11

Центробежный вентилятор Soler Palau CMT/4-500/205-11
Центробежный вентилятор Soler Palau CMT/4-500/205-11
Центробежный вентилятор Soler Palau CMT/4-500/205-11
Центробежный вентилятор Soler Palau CMT/4-500/205-11
Центробежный вентилятор Soler Palau CMT/4-500/205-11
Центробежный вентилятор Soler Palau CMT/4-500/205-11
Артикул: 03-0101-126
В наличии
504 041 руб.
Доставка в Чистополь
Бренд: Soler & Palau

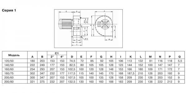
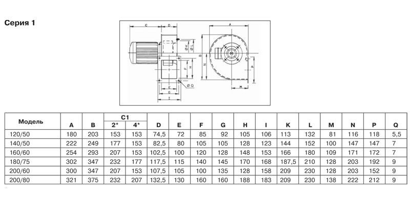
Центробежные вентиляторы одностороннего всасывания серии CMB/CMT комплектуются рабочими колесами с загнутыми вперед лопатками.

Вентиляторы предназначены для продолжительной работы при температуре перемещаемого воздуха до +80°С/110°С (серия 1) или до +150°С (серия 2 и 3).

Корпуса вентиляторов изготовлены из листовой стали и защищены от коррозии эпоксидной краской серого цвета.

Рабочие колеса изготавливаются из листовой оцинкованной стали.

Электродвигатели вентиляторов серии 1 крепятся непосредственно к улитке вентилятора.

Стандартно вентиляторы серии 1 поставляются без опорной рамы.

Электродвигатели вентиляторов серий 2 и 3 крепятся на опорной раме.

Рабочие температуры от -20°С +40°C (низкотемпературное исполнение поставляется по запросу).

Электродвигатели

В зависимости от модели, вентиляторы комплектуются 2, 4 или 6 полюсными однофазными или трехфазными электродвигателями.

Класс защиты IP55, класс изоляции F(1), с шариковыми подшипниками не требующими обслуживания.

Параметры электропитания:

  • 1ф - 230 В - 50 Гц
  • 3ф - 400 В - 50 Гц

В зависимости от модели, электродвигатели могут иметь возможность регулирования скорости (см. технические характеристики).

Некоторые электродвигатели серии 1 имеют класс защиты IP44, класс изоляции B (см. технические характеристики).

Дополнительная информация: стандартное положение корпуса - LG 270; при необходимости возможно изготовление вентилятора с 8 различными положениями корпуса.

По запросу

  • Вентиляторы из нержавеющей стали;
  • Исполнение для работы при низких температурах;
  • Вентиляторы с правым положением корпуса RD;
  • Вентиляторы 1-й серии с опорной ра- мой (МS);
  • Электродвигатель с терморезистора- ми (PTC), для подключения к внешнему устройству защиты.
Производитель:Soler & Palau
Тип:Канальный, Центробежный
Страна производства:Испания
Уровень шума:87 дБ
Объём расхода воздуха:11250 куб. м/час
Вес:132
Серия:Вентиляторы серии CMT
Материал:Металл
Класс защиты:IP55
Ток (А):22.5
Частота вращения:1450 об/мин
Макс. рабочая температура:40 °С
Параметры электропитания:3ф-400В-50Гц
Мин. рабочая температура:-20 °С

Авторизуйтесь, чтобы оставить отзыв:

Похожие товары в категории Вентиляторы промышленные

Для улучшения работы мы можем собирать данные, используя cookies и сервис Яндекс.Метрика. Это соответствует политике в отношении персональных данных. Продолжая работу на сайте вы даёте согласие на обработку персональных данных. Файлы cookie можно отключить в настройках Вашего браузера.

//}
Заказ в WhatsApp